



當前位置:首頁|HW 25T C型三圓導柱沖床
|
|


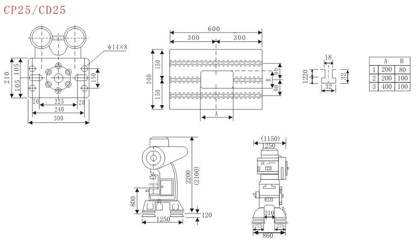
| 機型 | C25T/CP25/CD25 | |||
| 能力 | 25T | |||
| 行程 | 13 | 20 | 25 | 30 |
| 每分鐘行程數 | 200-1200 | 200-1000 | 200-900 | 200-800 |
| 閉合高度 | 180-210 | |||
| 平板 | 600 x300 x75 | |||
| 沖頭 | 300 x 210 | |||
| 調整量 | 30 | |||
| 落料孔 | 400 x 100 | |||
| 馬達 | 5HP | |||
| 總重 | 2800kgs | |||
| 循環系統 | Forceful Automation | |||
| 變速系統 | Inverter | |||
| 離合器及剎車 | Air & Friction | |||
| 動態平衡系統 | -/-/0 | |||
| 油壓鎖沖頭系統 | -/0/0 | |||
| 避震系統 | Option | |||