



當前位置:首頁|HW 35T C型三圓導柱沖床
|
|


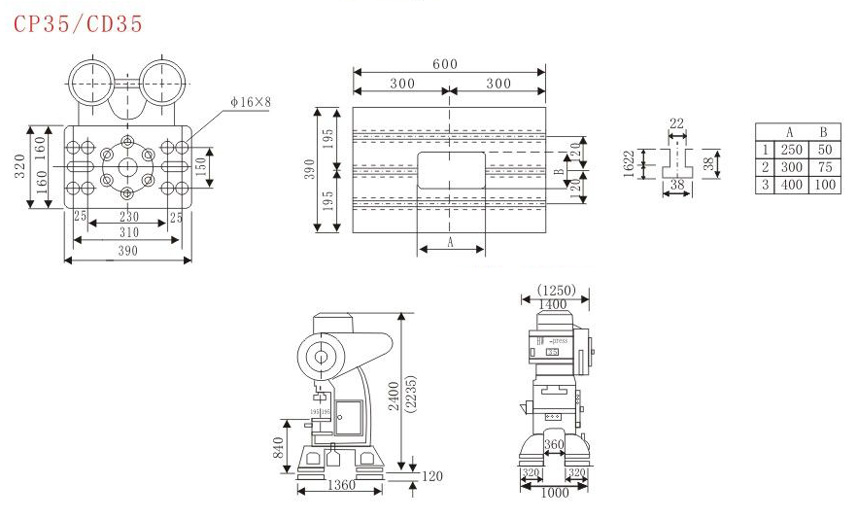
| 機型 | C35T/CP35/CD35 | ||
| 能力 | 35T | ||
| 行程 | 20 | 25 | 30 |
| 每分鐘行程數 | 200-850 | 200-800 | 200-750 |
| 閉合高度 | 190-220 | ||
| 平板 | 600x390x100 | ||
| 沖頭 | 320x390 | ||
| 調整量 | 30 | ||
| 落料孔 | 400x100 | ||
| 馬達 | 7.5HP | ||
| 總重 | 3900kgs | ||
| 循環系統 | Forceful Automation | ||
| 變速系統 | Inverter | ||
| 離合器及剎車 | Air&Firction | ||
| 動態平衡系統 | -/-/0 | ||
| 油壓鎖沖頭系統 | -/0/0 | ||
| 避震系統 | Option | ||